
转台采用超精密气浮技术和高精度机电控集成技术,可提供稳定的高速回转运动以及 优异的回转精度,并兼有在轴向和径向高负载高刚度的特点。如果您有空气轴承和气浮转台方面的需求,请联系我们400-616-8996。
旋转空气轴承与气浮转台的优点
•高速度 ( 0-30000rpm可定制 )
•高精确度 ( 旋转精度<100nm )
•大承载 ( 0 --16000kg)
•工作台多种选择 Φ20 - Φ2000
•无摩擦力,无磨损
•低噪音,无污染
•超长寿命,易维护
•接受非标定制
旋转空气轴承

规格与性能


* 请按照规定压力供气,供气压力0.5-0.7MPa;
* 空气质量清洁 (过滤达1.0微米或更佳) IS08573-1 级别1,无油 IS08573-1 级别1,干燥(-15°C露点) IS0 8573-1 级别3。
气浮转台

规格与性能表(以 8 寸晶圆转台为例)

* 请按照规定压力供气,供气压力0.5-0.7MPa;
* 空气质量清洁 (过滤达1.0微米或更佳) IS08573-1 级别1,无油 IS08573-1 级别1,干燥(-15°C露点) IS0 8573-1 级别3。
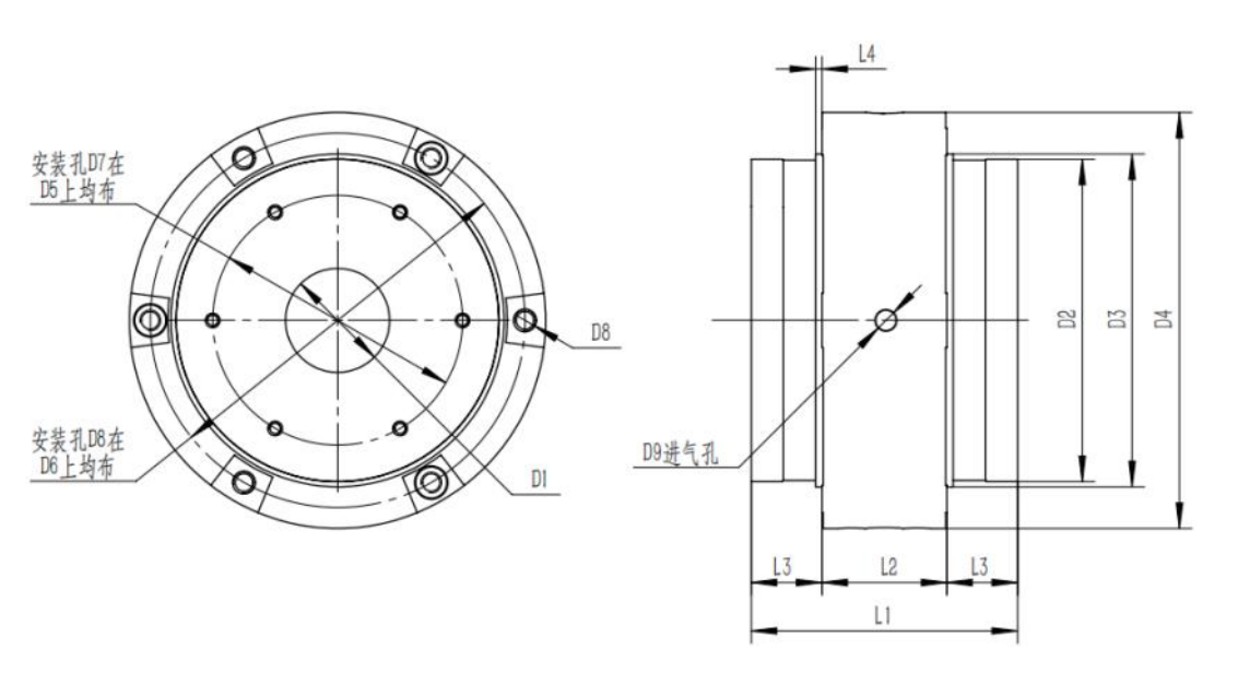
气浮转台尺寸规格图

气浮转台应用案例

应用领域
半导体设备减薄机转台 航空发动机装配测试台 航天转动惯量测量平台 精密仪器轴承:圆度仪等
动压气体轴承
平面气浮轴承 气浮垫
气浮导轨
气浮平台
旋转气浮轴承 转台
气浮主轴
定制开发